Producto temporalmente no disponible, volverá pronto
Cantidad mínima: 1
Descripción
Rotación a 180°
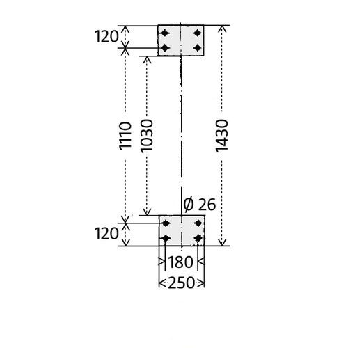
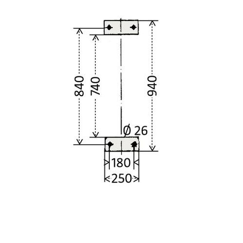
Grúa pluma mural con brazo sobreelevado.
Para una altura de elevación máxima respecto a la altura disponible.
Prever equipo de manipulación para descargar el producto del camión si no hubiera muelle de descarga. Fijación por pernos HR M24 calidad 10.9 (no incluidos). Producto por pedido. No se admiten cambios ni devoluciones.
Fabricado en Alemania
CE
Carga (kg) : 1600
Beneficios ambientales y sociales
Este embalaje es reciclado, total o parcialmente, lo que significa que se ha diseñado con materiales provenientes de los canales de reciclaje (consulte las especificaciones técnicas para obtener más información).
Especificaciones
Información del producto
Nombre del producto
Grúa pivotante mural - Carga 1.600 kg
Marca
Vetter Krantechnik
Embalaje
la unidad
Especificaciones técnicas
Modelo
Grúa mural MPI
Carga (kg)
1600 kg
IPE anchura
150 mm
Garantía al cliente
3 años
Ángulo de rotación (°)
180 °
Tipo de anclaje
8 puntos
Origen del producto
Fabricado en Alemania
Embalaje reciclado (%)
20 %
Documentación
Seleccione la referencia de la documentación correspondiente
Nuestras evaluaciones son auténticas y fiables. Para saber más sobre nuestros procedimientos de autentificación y control, haz clic aqui.